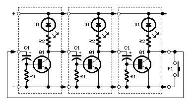
Circuit diagram using LEDs:
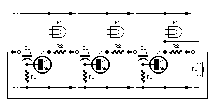
Circuit diagram using Lamps:
Parts:
R1______________1K5 1/4W Resistor R2____________680R 1/4W Resistor (Optional, see text) C1_____________47µF 25V Electrolytic Capacitor D1_____________LED any type Q1___________BC337 45V 800mA NPN Transistor P1_____________SPST Pushbutton LP1____________Filament Lamp 12 or 24V (See text)
Comments:
The purpose of this circuit was to create a ring in which LEDs or Lamps illuminate sequentially. Its main feature is a high versatility: you can build a loop containing any number of LEDs or Lamps, as each illuminating device has its own small circuit.
The diagrams show three-stage circuits for simplicity: you can add an unlimited number of stages (shown in dashed boxes), provided the last stage output was returned to the first stage input, as shown.
P1 pushbutton purpose is to allow a sure start of the sequence at power-on but, when a high number of stages is used, it also allows illumination of more than one LED or Lamp at a time, e.g. one device illuminated and three out and so on.
After power-on, P1 should be held closed until only the LED or Lamp related to the module to which the pushbutton is connected remains steady illuminated. When P1 is released the sequencer starts: if P1 is pushed briefly after the sequence is started, several types of sequence can be obtained, depending from the total number of stages.
David Nebenzahl from Oakland, California, suggested that putting a small 0.1µF capacitor between any transistor base and Vcc will guarantee a start every time, thus being able to do without P1. He thinks that if one had many modules in a string, placing these "start" caps could result in interesting patterns, since there would be multiple "waves" traveling through the system.
Notes:
- If one LED per module is used, voltage supply can range from 6 to 15V.
- You can use several LEDs per module. They must be wired in series and supply voltage must be related to their number.
- Using 24V supply (the maximum permitted voltage), about 10 LEDs wired in series can be connected to each module, about 7 at 15V and no more than 5 at 12V.
- The right number of LEDs can vary, as it is depending by their color and brightness required.
- Using incandescent lamps, voltage supply can range from 9 to 24V. Obviously, the bulb voltage rating must be the same of supply voltage.
- In any case, bulbs may also be wired in series, e.g. four 6V bulbs wired in series can be connected to each module and powered by 24V supply.
- If you intend to use bulbs drawing more than 400mA current, BC337 transistors should be substituted by Darlington types like BD677, BD679, BD681, 2N6037, 2N6038, 2N6039 etc.
- As Darlington transistors usually have a built-in Base-Emitter resistor, R1 can be omitted, further reducing parts counting.
- Sequencer speed can be varied changing C1 value.
- A similar design appeared in print about forty years ago. It used germanium transistors and low voltage bulbs. I think the use of LEDs, silicon transistors, Darlington transistors and 24V supply an interesting improvement.