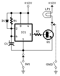
Circuit diagram:
Parts:
R1______________10M 1/4W Resistor R2______________10K 1/4W Resistor C1______________47µF 25V Electrolytic Capacitor IC1____________7555 or TS555CN CMos Timer IC D1___________1N4148 75V 150mA Diode Q1____________BD681 100V 4A NPN Darlington Transistor LP1___________Existing Lamp Bulb, usually 12V 5W SW1____________SPST Existing Door-Switch SW2____________SPST Existing Bypass Switch
Comments:
I recently forgot to close the door of my car after parking in the garage and I found the battery completely exhausted after the week-end, when I tried to start the engine on Monday morning.
This inconvenience prompted me to design a simple circuit, capable of switching-off automatically after a few minutes the inside courtesy lamp, the real culprit for the damage.
Circuit operation:
When the door is opened, SW1 closes, the circuit is powered and the lamp is on. C1 starts charging slowly through R1 and when a voltage of 2/3 the supply is reached at pins #2 and #6 of IC1, the internal comparator changes the state of the flip-flop, the voltage at pin #3 falls to zero and the lamp will switch-off.
The lamp will remain in the off state as the door is closed and will illuminate only when the door will be opened again.
The final result is a three-terminal device in which two terminals are used to connect the circuit in series to the lamp and the existing door-switch. The third terminal is connected to the 12V positive supply.
Notes:
- With the values specified for R1 and C1, the lamp will stay on for about 9 minutes and 30 seconds.
- The time delay can be changed by varying R1 and/or C1 values.
- The circuit can be bypassed by the usually existing switch that allows the interior lamp to illuminate continuously, even when the door is closed: this connection is shown in dotted lines.
- Current drawing when the circuit is off: 150µA.